PRESENTATION OUTLINE
¿Qué es el acabado superficial?
Acabado Superficial
- La rugosidad de una pieza depende de su uso y estética
- Al acoplar una pieza a un conjunto debemos cuidar las irregularidades superficiales de ésta
Durante el proceso de diseño de la pieza es preciso calcular la rugosidad de cada una de sus partes.
.
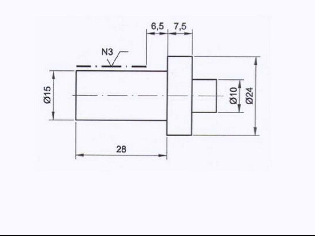
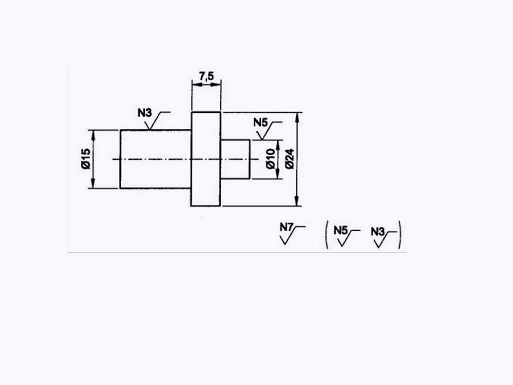
- Cuando dibujamos una pieza, debemos indicar el acabado superficial que debe tener
- Incluso en ocaciones, el proceso y medios con la que se debe realizar
Si se habla de la totalidad de la pieza se añade una pequeña circuferencia en la parte indicada.
1: Valor de la rugosidad definido por la letra N seguido del valor, se mide en mm. Si lleva dos valores indica limite superior e inferior.
2: Se indica el proceso de fabricación, puede ser torneado, fresado, etc.
3: Tolerancia. "Parte a quitar de la pieza"
4: Perfiles de rugosidad, ondulación y estructura con datos técnicos específicos.
5: Se definen los surcos del acabado superficial
Moleteados
- Su función es que la rugosidad de la pieza sea específica para que ésta no se deslice de la mano
- Ejemplo: Mango de Herramientas